Приложение № 14
С МЕШИВАНИЕ ТОПЛИВА
Смешивание для получения топлива с промежуточным составом
Мощность смешивания 300 м3/ч
Диапазон механического смешивания 5-95 %

Смешивание двух или более различных жидкостей в заранее определенном процентном соотношении, с целью получить готовый или полуготовый продукт – это операция, довольно часто встречающаяся в нефтехимической промышленности. В большинстве случаев отмеренные количества компонентов смеси подаются, один за одним по очереди, в емкость для смешивания и там смешиваются друг с другом настолько тщательно, насколько возможно. Однако, когда речь идет о более крупных смешиваемых объемах, тогда этот метод «смешивания партиями» заменяется на «смешивание в процессе перекачки». В этом случае компоненты одновременно подаются потоками, контролируемыми по величине в соответствии с заданным процентным составом, в смешивающее устройство, из которого непрерывно вытекает готовая смесь.
В нефтяной промышленности широко применяется смешивание легких продуктов перегонки (газойль и т. д.) с тяжелыми продуктами (бункеровочное С, тяжелое топливо и т. д.) в различных соотношениях с целью получить топливо разных марок для целей отопления. Чаще всего такое смешивание осуществляется на нефтеперерабатывающих заводах в крупных основных терминалах, как путем смешивания партиями, так и смешиванием в процессе перекачки, после чего готовое топливо различных марок доставляется на распределительные терминалы, откуда оно транспортируется автоцистернами, железнодорожными цистернами и др. к конечному получателю. Отсюда вытекает необходимость оборудовать распределительные терминалы цистернами в количестве по крайней мере по одной на каждую марку нефтепродукта.
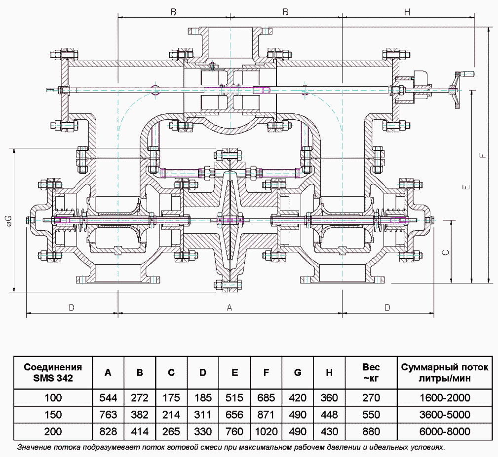
Механический Смеситель CBI
• Он не требует больших расходов. Не требуется никаких вспомогательных средств, таких как электрические моторы, сжатый воздух и т. д.
• Он прост в эксплуатации. Поворот рукой колеса крана изменяет установленное процентное соотношение смеси, что можно видеть в цифрах прямо на табло. После того, как соотношения компонентов смеси для различных марок установлены и переданы оператору, ему остается только повернуть колесо крана так, чтобы на табло появились соответствующие цифры.
• Его легко монтировать. Если соединительные трубы должным образом закреплены хомутами, не требуется никакой дополнительной опоры – смесительный блок устанавливается как обычный клапан. Устройство не нуждается ни в каком кожухе. В холодном климате или при работе с тяжелыми сортами топлива его можно поместить в подогреваемое и изолированное укрытие. По такому методу смесители успешно работают в районах 70 миль севернее Полярного круга.
Все размеры даны в мм:
Более 800 000 книг и аудиокниг! 📚
Получи 2 месяца Литрес Подписки в подарок и наслаждайся неограниченным чтением
ПОЛУЧИТЬ ПОДАРОК